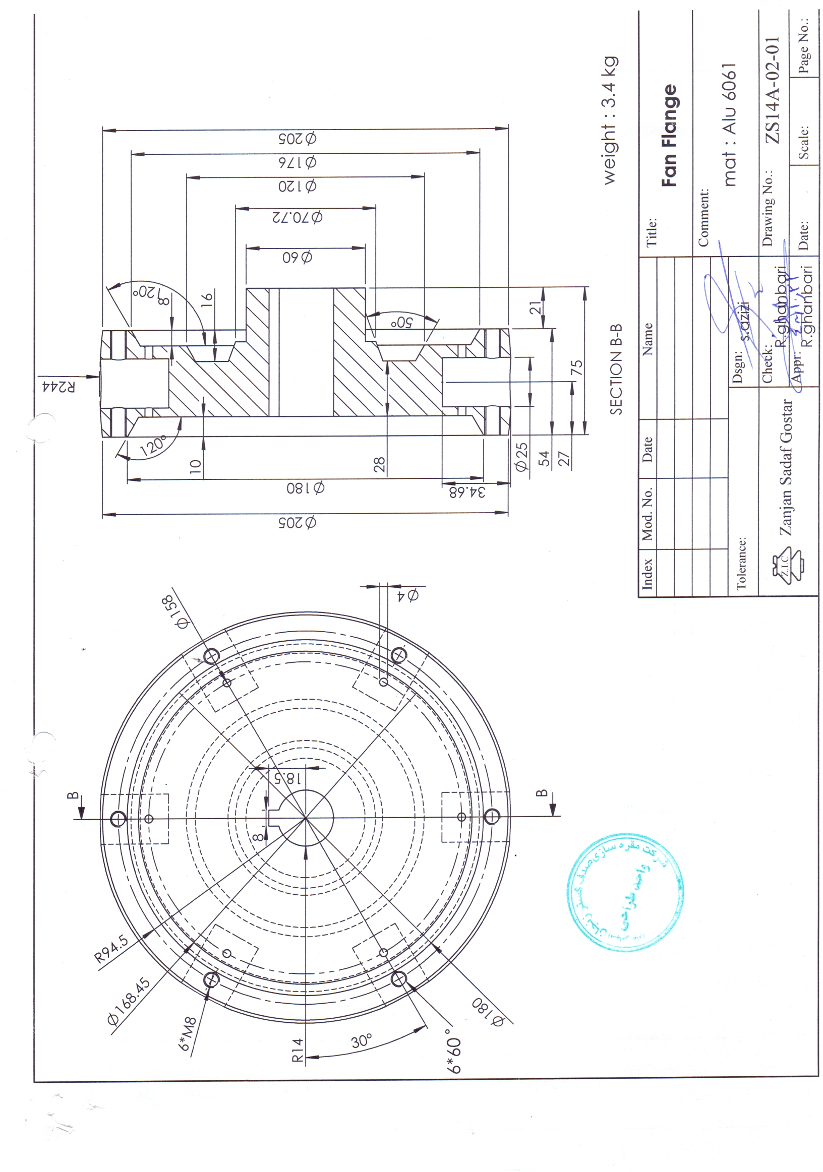
مناقصه عمومی خرید 250 ست کامل پروانه فن 800 / شرکت مقره سازی صدف گستر
0
ایران ترانسفو
ایران ترانسفو
مناقصه عمومی خرید 250 ست کامل پروانه فن 800 / شرکت مقره سازی صدف گستر
فایل های ضمیمه